RH-160E系列秉承了已累计生产1000万台的精密减速机RV™产品所具有的高精度、高刚性、高可靠性等卓越特点。在此基础上,RH-160E系列产品出厂时就已配备了法兰+输入齿轮+适量润滑脂及油脂密封件,使得用户能够更加简便地把减速机安装到制造设备上,以便有效缩短安装工时,加速提升设备性能及快速提高生产效率。
【应用案例】

【产品特征】
☆搭载精密减速机RV™
在实现工业用机器人的精密动作的同时,扭矩更加强劲的“精密减速机RV™”获得高精度、高刚性的小型轻量产品的评价。自1985年诞生以来,被全球的工业用机器人制造商广泛采用。
☆高精度、高刚性、高可靠性
以开云电竞官网下载app领域有出色表现的精密减速机RV™为基础设计的齿轮箱型产品
☆可应对低成本,短交货期的需求
☆可安装多厂家的伺服电机
☆预封入润滑脂
已封入适量的润滑脂,可减少现场作业工时(封入润滑脂为VIGO GREASE RE0)

【产品性能表】

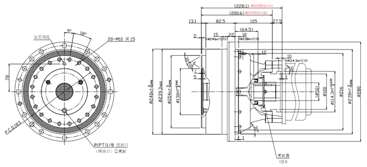
【产品外形尺寸】

| 图号 | 
         外形 尺寸  | 
         对应电机轴径 | 
         封入 润滑脂  | 
        
| SN55E001AA1 | Φ280×228.1 | Φ35 | VIGO GREASE | 
| SN55E001AB1 | Φ280×200.6 | Φ22 | VIGO GREASE | 
        
【现有可匹配的电机】


【RH-160E使用注意事项】

*可根据客户的批量需求进行定制
*可提供半成品实心轴,供客户自行加工
欢迎咨询上海纳博特斯克传动设备有限公司~
>更多关于RH-E/N(Eco)系列的其他型号产品,敬请期待!

纳博特斯克旨在为客户自动化设备的紧凑化和简单设计、制作、组装提供更加优秀的解决方案。
今后,我们也会再接再厉为客户着想,本着客户的需求继续开发新的产品阵容。
如对纳博特斯克的精密减速机RV™产品感兴趣,请扫描二维码,进入小程序详细了解吧~


     
    



